产品中心    
  直流电机
  直流永磁电机
  直流无刷电机
  直流伺服电机
  直流测速电机
  直流减速电机
  专用直流电机
  特种电机
  永磁无刷(伺服)直流电动机
  永磁无刷直流力矩电动机
  永磁同步电动机
  永磁无刷直流减速电动机
  交流发电机
  电动机构(作动器)
  永磁有刷直流电动机
  空心杯电机
  屏蔽泵电机
  装备车辆电机
  控制器、驱动器
  装备车辆电机
  交流电机
  交流伺服电动机
  YE2-YE3高效率三相异步电动机
  YEJ系列电磁制动三相异步电动机
  YTPS、YVP系列变频调速三相异步电动机
  YD系列变极多速三相异步电动机
  YZZ系列主轴三相异步电动机
  YJZ系统振动源三相异步电动机
  YLER、YLJ系列力矩三相异步电动机
  高压三相异步电动机
  汽车电机
  ABS(刹车防抱死)系列电机
  ESC(行车稳定)系统
  电子真空泵EVP电机
  方向助力系统






山东山博电机集团有限公司

电 话:0533-2641888
手 机:19553311166 19553311177
邮 箱: xszgs@shanbomotor.com
网 址:http://www.shanbomotor.com
地 址:山东淄博市博山区北山路76号
产品展示
YJZ系统振动源三相异步电动机-山东山博电机集团有限公司
 
 
产品名称:YJZ系统振动源三相异步电动机
   
 
 
 
放大镜  查看大图

产品介绍:    
  
产品介绍:
  

一、概述

YJZ系统振动源三相异步电动机是机械工业部济南铸锻机械研究所与我公司共同研制开发的新产品,也是T01系列的改型产品,它是各类振动机械的通用型激振源,可广泛应用于矿山、建筑、建材、冶金、铸造、机械制造、化工、粮食、煤炭、电力、交通运输和铁路等行业,用于完成给料、输送、筛分、脱水、冷却、干燥、选剔、粉磨、光饰、落砂、成型、振捣、夯土、压路、料仓防闭塞等各种工作。

二、特点

1.该系列电机与T01系统相比,体积小、重量轻。

2.耐振能力强,可在19.6m/S2的振动加速度下运行。

3.起动迅速,停车平稳。

4.全封闭结构,可在任何无防爆要求的粉尘环境下工作。

5.激振力无级可调,使用方便。

6.轴承润滑选用特殊的耐高温、耐磨油脂、并采用了可靠的防尘密封装置,长期使用能保证良好的润滑效果和长的使用寿命。

7.电机接线盒内填充有耐油、耐水、耐老化、绝缘性能良好的不干性填料,因此使用安全、可靠。

8.可多机组合成各种振动形式,以完成各种作业要求。

9.可多机组合成各种振动形式,以完成各种作业要求。

9.规格齐全,振次有3000、1500、1000r/min,激振力从1~160KN,能满足各种振动机械的工作需要。

三、使用条件

环境温度:不超 过400c。

海拔:不超过1000m

电压:380V

频率:50HZ

接线方式:Y/△,绝缘等级:B级(根据需要可达到F级)

工作方式:连续(S1)

防护等级:IP55

四、型号说明

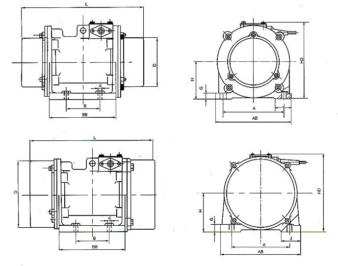
五、性能参数及安装尺寸

3相 2极 电压380V 频率50HZ 同步转速 3000r/min

型号 最大激振力(KN) 额定功率(KW) 额定电流(A) 安装尺寸(mm) 安装螺栓尺寸 N-MXX 外形尺寸(mm) 质量(kg) 外形围号
A B N-φd AB BB L H HD D(φ) G J
YJZ0.6-2C 0.6 0.075 0.3 165±0.25 80±0.25 4-φ9 4-M8 200 165 300 75 190 96 15 45 17.5 1
YJZ1.2-2C 1.2 0.25 0.63 165±0.25 80±0.25 4-φ13.5 4-M12 200 165 300 75 190 112 15 45 18.5 1
YJZ2.5-2C 2.5 0.28 0.63 165±0.25 80±0.25 4-φ13.5 4-M12 200 165 300 75 190 112 15 45 19.5 1
YJZ5-2C 5 0.4 1.04 185±0.25 90±0.25 4-φ17.5 4-M16 235 185 353 110 235 204 18 50 40 2
YJZ10-2C 10 0.75 1.9 220±0.25 115±0.25 4-φ18 4-M16 270 252 472 128 252 232 18 50 58.5 2
YJZ20-2C 20 1.5 1.5 260±0.25 115±0.25 6-φ22 6-M20 330 359 626 128 260 232 20 75 94 3
YJZ30-2C 30 2.2 2.2 275±0.3 137±0.3 6-φ22 6-M20 335 405 724 140 302 270 25 80 133 3
YJZ48-2C 48 3.5 8.3 315±0.3 147.5±0.3 6-φ26 6-M24 375 459 784 155 346 300 25 85 181 3

3相 4极 电压380V 频率50HZ 同步转速 1500r/min

型号 最大激振力(KN) 额定功率(KW) 额定电流(A) 安装尺寸(mm) 安装螺栓尺寸 N-MXX 外形尺寸(mm) 质量(kg) 外形围号
A B N-φd AB BB L H HD D(φ) G J
YJZ1.2-4C 1.2 0.075 0.3 155±0.25 75±0.25 4-φ9 4-M8 180 161 340 80 192 118 12 35 21 2
YJZ2.5-4C 2.5 0.15 0.46 165±0.25 80±0.25 4-φ13.5 4-M12 200 165 333 95 210 176 15 45 21 2
YJZ5-4C 5 0.2 0.65 185±0.25 90±0.25 4-φ17.5 4-M16 235 185 353 110 235 204 18 50 45 2
YJZ10-4A 10 0.55 1.4 220±0.25 140±0.25 4-φ22 4-M20 270 270 450 120 260 220 20 65 62 5
YJZ10-4C 10 0.4 1.1 220±0.25 115±0.25 4-φ22 4-M20 280 210 415 125 262 232 18 60 62 2
YJZ20-4C 20 1 2.5 285±0.3 150±0.25 4-φ26 4-M24 350 295 551 150 323 268 26 85 115 2
YJZ30-4C 30 1.5 3.8 330±0.3 170±0.3 4-φ33 4-M30 410 315 583 170 360 308 26 90 168 2
YJZ50-4C 50 2.5 6.6 375±0.3 108±0.3 6-φ33 6-M30 455 344 649 195 410 363 29 90 242 3
YJZ5-4C 75 4 10.5 400±0.3 127±0.3 6-φ33 6-M30 490 410 770 225 458 420 30 105 365 3

3相 6极 电压380V 频率50HZ 同步转速 1000r/min

型号 最大激振力(KN) 额定功率(KW) 额定电流(A) 安装尺寸(mm) 安装螺栓尺寸 N-MXX 外形尺寸(mm) 质量(kg) 外形围号
A B N-φd AB BB L H HD D(φ) G J
YJZ2.5-6C 2.5 0.2 0.67 185±0.25 90±0.25 4-φ17.5 4-M16 235 185 353 110 235 204 18 50 43 2
YJZ5-6A 5 0.37 1.3 220±0.25 140±0.25 4-φ22 4-M20 270 270 450 120 260 220 20 65 65 5
YJZ5-6C 5 0.4 1.2 220±0.25 115±0.25 4-φ17.5 4-M16 280 210 415 125 262 232 18 60 60 2
YJZ10-6C 10 0.75 2.2 260±0.3 150±0.25 4-φ26 4-M24 320 286 510 140 300 242 22 80 80 5
YJZ10-6C 10 0.75 2.2 240±0.25 115±0.25 4-φ22 4-M20 300 225 450 145 300 263 20 65 65 2
YJZ20-6C 20 1.5 4 330±0.3 170±0.3 4-φ26 4-M24 410 315 610 170 360 308 26 90 90 2
YJZ30-6C 30 2.2 5.8 330±0.3 170±0.3 4-φ33 4-M30 410 355 703 170 360 308 26 90 90 2
YJZ48-6C 48 3.7 9.6 375±0.3 108±0.25 6-φ33 6-M30 455 364 739 195 410 363 29 90 90 3
YJZ63-6C 63 5.5 14 420±0.5 135±0.25 6-φ39 6-M36 510 426 770 215 450.5 408 35 105 105 3
YJZ80-6C 80 6.5 16.5 420±0.5 135±0.25 6-φ39 6-M36 510 426 840 215 450.5 408 35 105 105 3
YJZ100-6A 100 7.5 18.6 380±0.3 125±0.25 6-φ26 6-M24 460 416 1000 240 490 460 40 120 120 3
YJZ100-6C 100 7.5 18.6 460±0.75 118±0.75 8-φ38 8-M36 550 490 875 240 493 448 35 105 105 4
YJZ125-6C 125 9.5 23 460±0.75 118±0.75 8-φ38 8-M36 550 490 954 240 493 448 35 105 105 4
YJZ140-6C 140 12 28.4 460±0.75 118±0.75 8-φ38 8-M36 550 520 1040 240 493 448 35 105 105 4
YJZ150-6C 150 13 31 460±0.75 118±0.75 8-φ39 8-M36 550 520 1040 240 493 448 35 105 105 4
YJZ160-6C 160 14 32.5 520±0.75 120±0.75 8-φ45 8-M42 610 511 950 270 550 508 45 125 125 4

3相 6极 电压380V 频率HZ 同步转速1000r/min 安装方式:立式

型号 最大激振力(KN) 额定功率(KW) 额定电流(A) 主要尺寸(mm) 质量(kg) 外形围号
A B C D L a R
YJZ100-6-B5 100 7.5 18.6 610 50 10 510 860 300 220 470 6

六、订货须知
1、订货时请注明样本中所标明的电机型号,激振力、功率、转速、电压、频率、安装结构形式等。
2、如有特殊要求,经双方协议后,本公司可为您提供特殊要求的电机。
3、本样本如有更改,不另通知。