首 页
走进山博
产品中心
先进装备
企业荣誉
新闻动态
联系我们
在线留言
产品中心
更多 >>
直流电机
直流永磁电机
直流无刷电机
直流伺服电机
直流测速电机
直流减速电机
专用直流电机
特种电机
永磁无刷(伺服)直流电动机
永磁无刷直流力矩电动机
永磁同步电动机
永磁无刷直流减速电动机
交流发电机
电动机构(作动器)
永磁有刷直流电动机
空心杯电机
屏蔽泵电机
装备车辆电机
控制器、驱动器
装备车辆电机
交流电机
交流伺服电动机
YE2-YE3高效率三相异步电动机
YEJ系列电磁制动三相异步电动机
YTPS、YVP系列变频调速三相异步电动机
YD系列变极多速三相异步电动机
YZZ系列主轴三相异步电动机
YJZ系统振动源三相异步电动机
YLER、YLJ系列力矩三相异步电动机
高压三相异步电动机
汽车电机
ABS(刹车防抱死)系列电机
ESC(行车稳定)系统
电子真空泵EVP电机
方向助力系统
山东山博电机集团有限公司
电 话:0533-2641888
手 机:19553311166 19553311177
邮 箱: xszgs@shanbomotor.com
网 址:http://www.shanbomotor.com
地 址:山东淄博市博山区北山路76号
产品展示
返回首页 >>
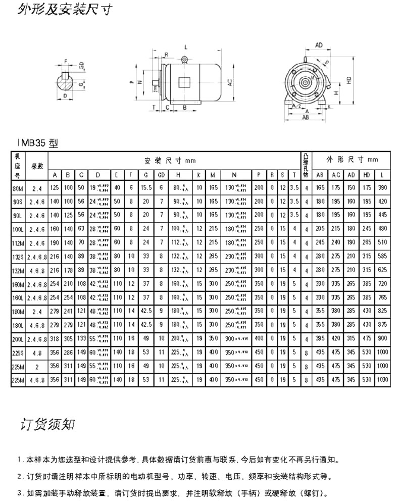
YEJ系列电磁制动三相异步电动机-山东山博电机集团有限公司
产品名称:YEJ系列电磁制动三相异步电动机
放大镜
查看大图
产品介绍:
鲁ICP备11006207号-2